逍遥阁网页版入口免费版,江苏一品楼无锡论坛,上海后花园龙凤网,万花阁app官网入口
集团网站
经销商网站
ENGLISH
返回主菜单
人民门户网站群
浙江公司
上海公司
江西输变电公司
江西变电公司
山东公司
建筑电器公司
仪器仪表公司
防爆电器公司
人民华智通讯
武汉销售公司
河南人民电器
河南销售公司
四川销售公司
安徽销售公司
湖北公司
安徽办事处
Toggle Navigation
配电及工控用户
返回主菜单
配电及工控用户
推荐系列
新赢领系列
新领系列
智领系列
创领系列
水晶系列
一二级配电
框架式断路器
低压隔离开关
三相干式变压器
塑料外壳式断路器
塑料电子式断路器
塑料漏电式断路器
双电源自动转换开关(CB级)
双电源自动转换开关(PC级)
普通隔离开关
熔断器式隔离开关
熔断器
终端电器
小型断路器
漏电小型断路器
隔离开关
家用接触器
电磁式漏电断路器
一体式漏电断路器
直流小型断路器
模数化插座
照明配电箱
工业控制与?;?span id="j9tvzjtppx" class="iconfont icon-arrow-down">
直流接触器
|
切换电容接触器
真空接触器
|
接触器式继电器
固态继电器
|
电动机断路器
时间继电器
|
热过载继电器
液位继电器
|
时控开关
超薄型继电器
|
小型电磁继电器
全自动打铃仪
|
计数器继电器
累时器继电器
|
过欠压?;て?/a>
电动机?;て?/a> |
电动机起动器
硅整流、工业
|
相序?;た刂破?/a>
行程开关
|
微动开关
脚踏开关
|
万能转换开关
组合开关
|
星三角开关
按钮开关
|
电动机调速装置
接线端子
|
控制与保护开关电器
变频器
|
信号灯
|
工业插头
散热器
|
软启动
|
电铃
电源电器
变压器
电抗器
稳压器
开关电源
调压器
应急供电系统
电能质量
电能表
安装式电测表
水表系列
智能充电插座
万用表系列
钳形表系列
互感器
无功补偿控制器
电容器、控制器
剩余电流动作继电器
综合补偿装置
家庭及照明消防用户
返回主菜单
家庭及照明消防用户
R86系列
经典
R86-H5系列
R86-H6系列
R86-G35系列
R86-E5系列
无线开关
RZ-B86系列
工程
R86-N系列
R86-H系列
R86-D系列
R86-C系列
RM-6明装系列
R118系列
R118-H系列
R120系列
R120-WD系列
R120-WF系列
照明消防
工程工业系列
工程工业绿电节能系列
工程商照系列
工程支架系列
工程感应系列
工程吸顶系列
消防应急系列
其它产品
智能终端
配电箱
信息箱
家庭排插、地插、防水盒、换气扇
电力运维及其它用户
返回主菜单
电力运维及其它用户
成套设备
低压开关柜
高压开关柜
其他类型箱柜
电力变压器
高压超高压系列
干式变压器
油浸式变压器
电炉变压器
箱变系列
组合式变压器
变电站
防爆电气
防爆灯具
防爆电器
全塑防爆
防爆管件
防爆风机
粉尘防爆
防水防尘防腐篇
高压电器
智能电网自动化开关
智能电网永磁式真空断路器
智能电网预付费自动化设备
户外高压真空断路器
户内高压真空断路器
户内(外)高压交流负荷开关
其它高压电器
气动产品
气动执行元件
气动控制系列
气源处理元件
气动接头系列
气动辅助元件
电线电缆/其他产品
电线电缆
智慧消防产品
智能电网卫星网络传输系统
天线
滤波器
雷达???/a>
通信其它产品
裸眼3D
新能源用户
服务支持
返回主菜单
服务支持
下载中心
产品样本
新产品手册
低压手册
高压手册
成套手册
电力变压器
仪表手册
建筑手册
防爆手册
电缆手册
其他资料
形象样本
资质样本
价格手册
视频资料
人民新视窗
说明书下载
荣誉资质
企业荣誉
产品荣誉
CQC证书
自我声明
报告证书
专利证书
CCC证书
国际认证
更多...
解决方案
光伏行业解决方案
储能行业解决方案
充电桩行业解决方案
电力行业解决方案
建筑行业解决方案
石油石化行业解决方案
冶金行业解决方案
起重机械行业解决方案
水泵行业解决方案
数据中心解决方案
更多.....
数字化工具
小程序选型
小程序查价
电脑版查价
电表管理系统
人民速充APP
中高层信息
联系我们
联系我们
办事处
售后服务
物流中心
预约技术支持
预约技术培训
建议投诉
问卷调查
常见问题解答
全球招商
关于人民
返回主菜单
关于人民
关于人民
控股集团
电器集团
领导关怀
企业文化
社会责任
发展历程
创新中心
品牌中心
解决方案
智慧客户
展望未来
新闻中心
集团要闻
房产新闻
人民视频
人才
社会招骋
校园招骋
人才发展
首页
>
产品中心
>
配电及工控用户
>
变频器
> RDI67 系列变频器
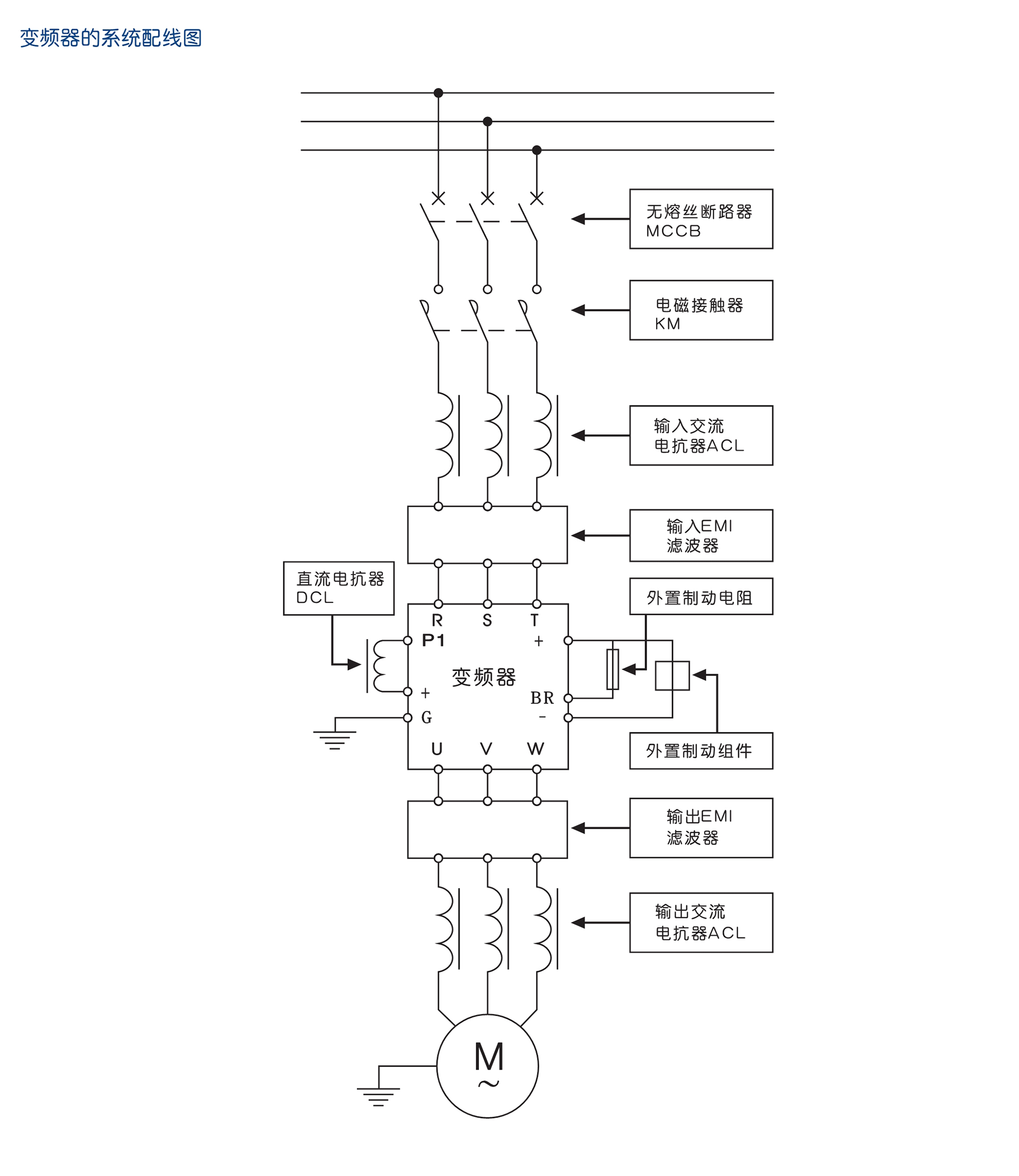
RDI67 系列变频器
RDI67系列变频器有220V和380V两种电压等级,适配电机功率范围为:0.75kW~315kW
服务热线:400 898 1166
产品选型
解决方案
联系我们
产品详情
产品参数
资料下载
证书下载
名称
下载
说明书:
RDI67 系列变频器
RDI67 系列变频器
选型资料:
RDI67 系列变频器
点击下载
画册:
相关产品画册
点击下载
名称
下载
检测报告:RDI67-5.5kW/380V变频器
点击下载
检测报告:RDI67-15kW/380V变频器
点击下载
资料维护微信:182 5777 7355;电话:0577-61731110;QQ:228348720
注:网上所有产品资料仅供参考,如有疑问请打电话400 898 1166核实确认,尤其是开孔尺寸与技术参数等重要参数,为了避免公司技术更新或升级有变动,给你带来不必要的损失,谢谢配合!
咨询热线
咨询热线
在线客服
公众号
关注人民电器公众号 了解集团最新资讯